
| Engine_2014 : Motor Plants and Auxiliary Boilers - 1611/2614 |
|---|
| « Previous Question |
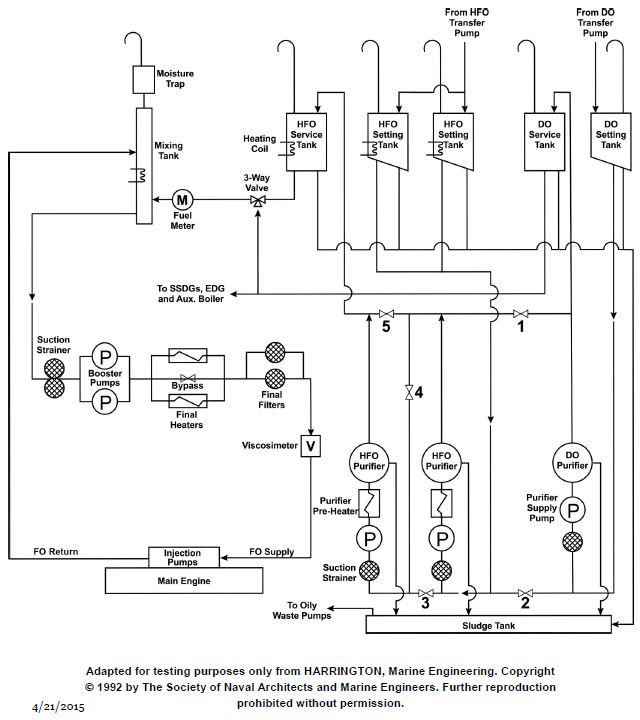
| Which of the listed pumps, shown in the illustration, discharges directly to the fuel oil settling tanks of a diesel engine main propulsion plant? |
| A) Booster pump |
| B) Transfer pump |
| C) Auxiliary bilge pump |
| D) Centrifuge transfer and discharge pumps |
loading answer...
Illustration MO-0058
| Comments |
|---|
| There are no comments for this question. |
