
| Engine_2014 : General Subjects - 3519/3524 |
|---|
| « Previous Question |
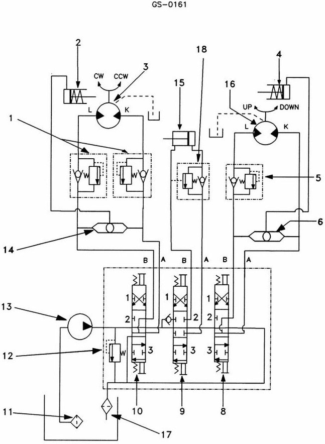
| You press start button on the hydraulic power unit shown in the illustration, and the motor does not start. The first thing you should check is the __________ . |
| A) suction strainer condition |
| B) controller contactor operating coil |
| C) pump discharge relief valve setting is too low |
| D) controller circuit breaker |
loading answer...
Illustration GS-0161
| Comments |
|---|
| There are no comments for this question. |
