
| Engine_2014 : Motor Plants and Auxiliary Boilers - 1982/2614 |
|---|
| « Previous Question |
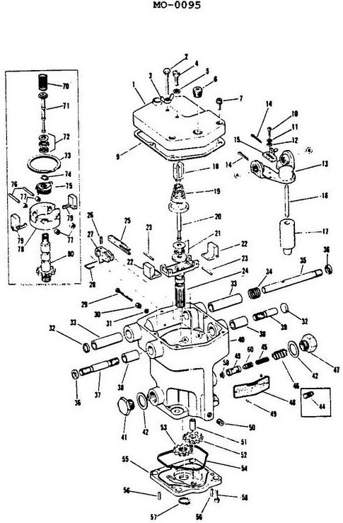
| If governor Item #19 in the illustration were to break on a main propulsion diesel engine operating under full load, the engine RPM will __________ . |
| A) increase until the overspeed trip actuated |
| B) hunt until stabilized by droop rod |
| C) decrease to a slightly lower value |
| D) remain the same until manually changed |
loading answer...
Illustration MO-0095
| Comments |
|---|
| There are no comments for this question. |
